本章將會介紹一個基礎的3d圖形(主要由2d sketch組成),讓同學熟習使用不同的面的2d sketch組合成一個3d圖形,介紹完之後,在本章的最下面會有幾條練習題。
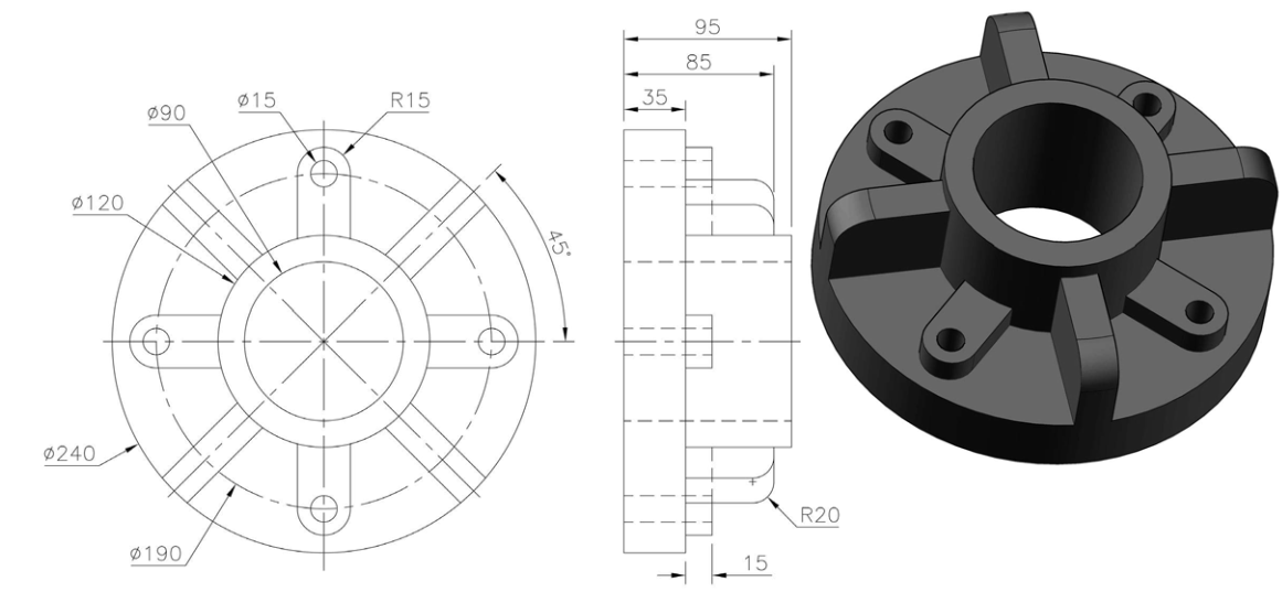
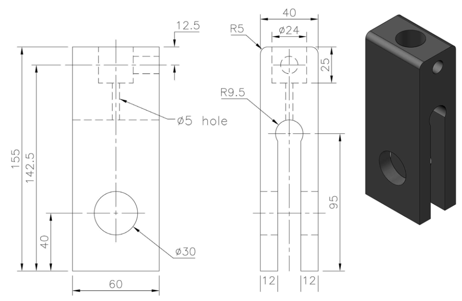
Basic Drawing1. BracketStep 1Step 2Step 3Step 4Step 52. Guide blockStep 1Step 2Step 3Step 43. 練習題3.1 3.2 3.3 3.4 3.5 3.6 3.7 3.8 3.9
用hotkeys快速搜尋
搜尋new component建立一個新的元件

用new sketch在xz平面上建立一個新的2D sketch

用hotkeyc 和r建立圓形和長方形
💡利用hotkey d 來標示尺寸

利用2D約束,將長方形相切和固定,之後就可以繼續跟據尺寸劃餘下的部分


用hotkeye擠出實體,尺寸為32.5,最好選擇對稱,方便另一個面的編輯(也可以不用對稱)

在右側的面建立一個2D sketch

跟據尺寸,劃中心線和一個圓形
中心線可以用hotkey x 來將實線轉換成作圖線
兩邊的斜角有兩種方法去劃:
一是先劃好一邊,再用mirror
另一個方法是隨意劃好兩邊的線,再用2D約束令其對稱


最後用hotkey e 選擇去切去的部分,用to object指定後面的面切去

在上方的面建立一個2d sketch

建立一條中心線
用hotkey x 將線轉成作圖線
隨意劃兩個圓
用2D 約束,將圓指定為相等,垂直和對稱
💡 你也可以劃好一邊後用mirror將其鏡像
之後指定其餘的尺寸


用hotkey e,將兩個孔切掉,跟之前一樣,用to object

最後,用hotkey f,選擇fillet工具,選取三條邊,將其修2mm半徑

用hotkey s 搜尋new component開一個新的component

搜尋sketch,在xy平面上開一個新的sketch
搜尋center rectangle,在中心點建立一個任意大小的長方形

用hotkey d,標示長方形尺寸

用hotkey e,擠出長方形高度為5mm

在長方形的上方建立一個new sketch

用center rectangle,畫一個稍為小一點的長方形

擠出高度20mm

在右側的面建立一個new sketch

用hotkey r隨意畫一個長方形
之後用2d約束的midPoint將方形貼齊到中點
用d標示尺寸

用hotkey e切去中心的位置,選擇to object選左側的面

在正面的的面建立一個new sketch

任意劃兩條切角的線,再用對稱約束將兩條線指定對稱


用e將角落切去,切去時選擇用to object










Hints:
先不用理會圓角位置, 建立一個大概的側視圖, 然後標示尺寸, 之後對稱擠出

圖則中的Ø20 THRU ALL ⌵24X82º 即直徑20mm的孔countersink(沉孔)82º,可以使用holes指令來創建孔:
使用快捷鍵H或者在菜單上找到holes指令
選擇孔的位置,選擇左邊的垂直邊作為參考,距離32mm,然後選擇上方的水平邊作為參考,距離31mm
在hole type中,選擇第三個選項,即沉孔Countersink,然後選擇孔的角度為82度
在hole tap type中,選擇第一個選項Simple,因為不需要攻螺絲牙
在Drill Point中,選擇任何一個選項都可以,因為這個孔是完全穿透的

最後
使用sketch劃好要製作的孔,然後用extrude指令減去不需要的部分
或者使用hole指令來完成孔的製作
使用chamfer指令來修剪角落
使用fillet指令來修圓角
